Olá,
Visitante
. Por favor
entre
ou
registe-se
se ainda não for membro.
1 Hora
1 Dia
1 Semana
1 Mês
Para sempre
Entrar com nome de utilizador, password e duração da sessão
Notícias:
Visite o blog
Bricolage Total
!
Início
Ajuda
Pesquisa
Calendário
Entrar
Registe-se
Bricolage Total
»
Obras, reparações e alterações (em casa e não só)
»
Pinturas, Decoração e Design
»
Portão de correr
« anterior
seguinte »
Imprimir
Páginas: [
1
]
Ir para o fundo
Autor
Tópico: Portão de correr (Lida 7903 vezes)
tiengenhocas
Jr. Member
Mensagens: 64
Portão de correr
«
em:
Quinta-Feira, 04 de Maio, 2023, 19:05:54 pm »
AdvertisementAdvertisement
alinhavando calha para comando eléctrico
motagem da rede
portão montado a trabalhar manualmente
Protótipo para comando eléctrico
comando quase pronto
fazendo a roda dentada na furadeira de bancada
Registado
tiengenhocas
Jr. Member
Mensagens: 64
Re: Portão de correr
«
Responder #1 em:
Sexta-Feira, 27 de Outubro, 2023, 19:11:33 pm »
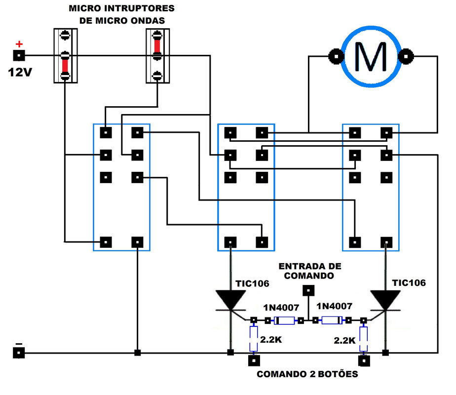
O portão está a trabalar desde Agosto de 2023, tem painel solar e bateria de lítio
vou deixar aqui aplaca de c.i. e algumas fotos, para o caso de alguém querer fazer uma montagem muito simples e que funciona muito bem
Registado
tiengenhocas
Jr. Member
Mensagens: 64
Re: Portão de correr
«
Responder #2 em:
Sábado, 28 de Outubro, 2023, 16:16:01 pm »
Registado
tiengenhocas
Jr. Member
Mensagens: 64
Re: Portão de correr
«
Responder #3 em:
Sábado, 30 de Dezembro, 2023, 17:43:19 pm »
para fazer a bateria reciclei elementos de pc portátil, cada um é de 7.5 amperes, usei 24 em grupos de 8, isto dá 12.6v 17.5 amperes
O aparelho que está na foto e uma maquina de soldadura capacitiva. que fiz com peças da sucata.
Registado
Imprimir
Páginas: [
1
]
Ir para o topo
« anterior
seguinte »
Bricolage Total
»
Obras, reparações e alterações (em casa e não só)
»
Pinturas, Decoração e Design
»
Portão de correr